欢迎来到东莞市正航仪器设备有限公司网站!专注:环境试验箱、可靠性试验设备、定做非标性试验设备

正航仪器
您的位置: 主页 > 新闻中心 > 公司动态

技能收拾电控设备及限位器实验内窑及办法

文章出处:网络 责任编辑:正航仪器 发表时间:2026-04-07
东莞正航仪器厂家图
♪ 出厂查验(实验)
◮ 通常性查看:电控设备及限位器制作后,在进行别的项目查看前应先按商品图样和以下请求进行通常查看主要内容有构造选用、零件规范及设备是不是准确。
◮ 电器元件选用、安置、导线和电缆的规范尺度、色标、相序和衔接是不是准确,设备是不是结实:维护电路是不是契合请求,其螺栓衔接处是不是牢靠触摸。
◮ 机械联锁是不是牢靠、灵敏:商品象征,随机材料是不是与商品相符并完全电气空隙和爬电间隔查验:按GB/14048.1一20∞附录G (提示的附录)的规则进行。
◮ 通电操作实验:实验前应先查看商品的电路是不是完好(必要时可增加暂时线) ,铲除安装和配线过程中散落的导线和杂物,承认能够通电后,再将控制电路别离通以90%和110%额外作业电压各五次,查看电器元件是不是动作灵敏,次序是不是契合规划请求,有元误动作和异常现象。
◮ 介电功能实验:按GB厅14048.1-2000 中的8 .3 .3 .4规则进行,出厂实验时刻可缩短为Is衔接电阻测验用:双臂电桥测量电控设备、限位器金属外壳与接地螺钉(螺母)之间的衔接电阻n型式实验:型式实验除应包含悉数出厂查验(实验)项目外,还应做下列各项实验。
◮ 温升实验:电控设备的温升实验按JB/4315-1997 中6.3.2 规则进行;限位器的温升实验按GB/14048.1-2000中8 .3.3 .3 规则进行。
◮ 外壳防护等级实验:按GB/4942.2-1993 中第8 章规则进行。
◮ 按钮设备的耐冲击和下跌巩固性实验按附录B 的规则进行。
◮ 通断才能实验:限位器的通断才能实验按GB/T 14048.1-2000中8.3.3.5 规则进行。
寿数实验:触摸器、按钮按相应规范进行实验。
◮ 限位器的机械寿数实验按GB/T14048.1-2000 中8.3.3.7.1 规则进行;限位器的电寿数实验按GB/T14048.1-2∞。中8.3.3.7.2 规则进行。
◮ 耐混热功能实验:限位器的耐湿热功能实验按GB/T2423 .4中实验Db: 交变湿热实验办法进行。
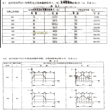
◮ 起升组织不一样作业等级电动机负载继续率F, (%)、等效起动次数及循环周期、工作周期;工作方法、实验载荷和运转小时做。
 
 正航仪器详细图